| Sign In | Join Free | My portofva.com |
|
Brand Name : wangtebei
Model Number : YAW
Place of Origin : China
MOQ : 1 set
Price : negotiation
Payment Terms : T/T
Supply Ability : 20 sets per month
Delivery Time : 5-8 working days
Packaging Details : export package
1. Applications
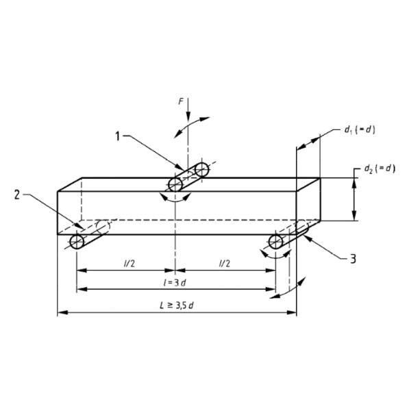
This compression testing machine is for the determination of the flexural strength of specimens of concrete. Prismatic specimens are subject to a bending moment by the application of load through upper and lower rollers. The maximum load sustained is recorded and the flexural strength is calculated.
2. Specifications for concrete flexural strength testing machine
| Max. capacity | 150KN |
| Loading speed | 0.1-25KN/S |
| Voltage and power | 380V, 750W |
| Precision of indicating value | ±1% |
| Compression space | 180mm |
| Piston stroke | 80mm |
| Compression platen | φ125mm |
| Weight | 450k |
3. Size of concrete specimens for flexural strength test
Concrete cubic specimen: 150X150X600mm, 150X150X550mm, 100X100X400mm or others
3. Brief introduction of concrete flexural strength test procedure
1) Wipe clean all testing machine bearing surfaces and remove any loose grit or other extraneous material from the surfaces of the specimen that will be in contact with the rollers.
2) Place the concrete test specimen in the testing machine, correctly centered and with the longitudinal axis of the specimen at right angles to the longitudinal axis of the upper and lower rollers.
3) Select a constant rate of stress and load to the concrete test specimen until break. Record the maximum load indicated and report a fracture if it is outside the loading rollers.
4. Software for concrete flexural strength test
4.1 Windows based interface, easy and fast to reach different functions, suitable for most of operators using habits.
4.2 The software provides multi functional control mode: Load (stress) control; Displacement (Stroke) control, Strain (Deformation) control, Load keeping, Displacement keeping, Customized programming control ect.
4.3 In stroke control mode, operator can define customized test speed to conform to different test standard. Preset limit position and return position will secure the safety and return the crosshead automatically after test finished. In program control mode, the testing machine is controlled by conditional programs, operator can input each condition to regulate test process, and software can realize constant parameter control through this function.
4.4 Realize the testing diagram online display and reproduction.
4.5 Zoom in or out the test diagram at any place with any rate.
4.6 Auto suit the diagram according to display resolution
4.7 Coordinates point tracing to check the test results in each point
4.8 The software provides different way to create test report: Single material test report, Batch material test report, Customized test report, Coordinates point test report
4.9 test curves: load-time, extension- time, load-displacement, load-extension, stress-strain,etc
5. Relative test method
GB/T 50081 standard for test method of mechanical properties on ordinary concrete
ASTM E74 Practice of Calibration of Force-Measuring Instruments for Verifying the Force Indication of Testing Machine
ISO 1920-4 Testing of Concrete- Part 4: Strength of hardened concrete
ASTMC78/C78M Standard Test Method for Flexural Strength of Concrete(Using Simple Beam with Third-Point Loading)
BS EN 12390-5 Testing hardened concrete Part 5: Flexural strength of test specimens

center point loading two point loading
(3-point flexure) (4-point flexure)
|
|
Concrete Flexural Strength Testing Machine , Bending Testing Equipment Images |